MDS 三相整流桥

产品中心

MDS 三相整流桥

MDS 三相整流桥

如果您有任何问题可以联系我们!
联系我们

一、产品特点:
1、芯片与底板电气绝缘,2500V交流电压;
2、国际标准封装;
3、真空+充氢保护焊接技术;
4、焊接结构,优良的温度特性和功率循环能力;
5、安装简单,使用维修方便;
6、体积小,重量轻;
7、最高工作结温达150℃;
8、正向压降小。

二、型号说明:

三、特性参数:

名称 型号  直流输
出电流
相输入
正向平
均电流
壳温 反向重复
峰值电流
反向重复
峰值电压
通态峰值电压 通态峰
值电流
最高额定结温 绝缘
电压
重量
三相
整流
桥MDS
Type ID IF(AV) TC IRRM VRRM VTM ITM Tjm Viso Weight
A A V mA V A V(AC) g
MDS30A 30 10 100 8 600-2000 1.45 30 150 2500 170
MDS60A 60 20 100 8 600-2000 1.45 60 150 2500
MDS100A 100 35 100 10 600-2000 1.45 100 150 2500

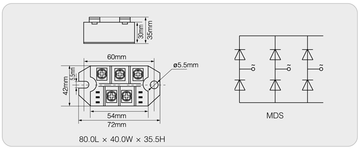
四、外形尺寸及电路图:


五、产品应用:
1、仪器设备的直流电流; 2、P W M变频器的输入整流电源; 3、直流电机励磁电源; 4、开关电源的输入整流; 5、软启动电容充电; 6、电气拖动和辅助电流; 7、逆变焊机; 8、电流充电直流电源。
说明:
a. Vdsm/Vrsm=Vdrm/Vrrm+200V;
b. 除非另作说明,Lgt,Vgt,Ih,Vtm,Viso均为25下的调试值,表中其它参数皆为Tvjm下的测试值;
c. I2t=I2tsmTW/2,式中TW:正弦半波电流底宽,在50HZ频率下,I2t(10ms)=0.005I2tsm(A2S);
d. 当使用在电流为60HZ情况下,Itsm(8.3ms)=1.066(10ms),I2t(8.3ms)=0.943I2tsm(10ms)。

点击
隐藏

电话
咨询

0577-62698933
客服热线

电话
咨询

15868071133
客服热线