MZD3-□50□□A(整流调压模块)

产品中心

MZD3-□50□□A(整流调压模块)

MZD3-□50□□A(整流调压模块)

如果您有任何问题可以联系我们!
联系我们

一、产品概述:
    该模块采有用单片机设计,无相序要求,无同步变压器,脉冲变压器隔离触发,内部移相,定宽调节均实现数字化,触发部分没有任何可调节元器件,脉冲对称小于0.5度,对负载冲击小,抗干扰能力强。
   广泛应用于电机调整,控温设备,调光,焊机,电镀等功率调节场合。
二、型号说明:

三、主要技术指标:
1、额定工作电压: 380VAC;
2、输出负载电流: 10A、25A、40A……120A(外形尺寸:105×74×38mm)
                 150A、200A、300A、400A、500A(外形尺寸:150×125×80mm);
3、输出电压变化范围: 0-380VAC或0-250VDC;
4、调节范围:0-150度;
5、脉冲对称度:小于0.5度;
6、输入工作电源:12VDC(10W);
5、输入控制信号: 1-5VDC或4-20mA或10k电位器。
四、技术参数:










产品名称 MZD3-□50□□A 接线图
输出电压变化范围 0-520VAC  
输出负载电流 150A.200A.300A.400A.500A
输入控制方式 R:10K电位器
V:1-5VDC L:4-20mA
输出电压 1.35VIN
介质耐压 2500VAC
绝缘电阻 1000MΩ/500VDC
环境温度 -25℃-+75℃
安装方式 螺栓固定
重量 1700g

五、输入控制信号接线方式:

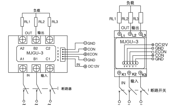
六、模块输出负载接线图:


七、三相交流调压模块/整流调压模块的端子连接说明:
1、单相交流调压模块:A1/K1、B1/K2、C1/K3端为负载交流电源输入,A2/L1、B2/L2、C2/L3为负载交流输出端(注意输入、输出不得接反);
2、三相整流调压:A1/K1、B1/K2、C1/K3端为负载交流电压输入,A2/L1、C2/L3为负载直流输出端(注意正负极向)。
八、控制信号方式:
1、控制信号方式:4#、5#为模块提供12V内部工作电源;
2、3#(ECON)为手动调节电位器提供正控制电压,模块内部产生+5V电压;当1#、2#、3#接控制电位器手动制动时,3#提供电源,当外电源自动控制时,3#(ECON)悬空;
3、2#(CON)角为电压给定输入端,当2#(CON)有1-5V的电压信号时,输出负载端在0-150度范围内变化;
4、1#(GND)为内部地,当模块由外电路自动控制时与外电路的地相接。
九、控制信号注意事项:
1、控制用+12v直流电源的电压偏差应严格限制在+12v±0.5v以内,超出偏差将导致模块工作不正常或烧毁电路;
2、使用前请按说明书规定正确接线,控制+12v直流电源正、负极向接反,可能导致模块烧毁电路;
3、禁止使用变压器整流不稳定电路直接给模块供电;
4、几个模块可以同时使用一个稳电源,但电源电流应有较大的余量;
5、禁止使用+15v或+9v等非+12v的稳压电源。
十、安全注意事项:
1、根据负载功率大小,应选择不同电流余量,功率越大,电流余量越大,一般选择模块的电流容量是负载电流的2-4倍;
2、过压保护:输出端并接续流二极管或压敏电阻,取值为实际负载电压的1.7-1.9倍;
3、过流保护:主回路串接快速熔断器或断路开关,取值为实际负载电流的1.5倍;
4、散热要求:负载10A以上,必须安装散热器,40A以上加风扇强冷或水冷。

点击
隐藏

电话
咨询

0577-62698933
客服热线

电话
咨询

15868071133
客服热线