ZG1NC-VR

产品中心

ZG1NC-VR

ZG1NC-VR

如果您有任何问题可以联系我们!
联系我们

一、产品特点:
1、双向可控硅移向输出 内置阻容吸收电路
2、外接电位器即可实现输出电压调节 使应用简单化
3、输入端-输出端之间隔离耐压2500V;
4、100%负载电流老化试验,通过欧共体CE认证,国际ISO9000认证,国内3C认证。
5、.配有完全保护盖
二、型号说明:



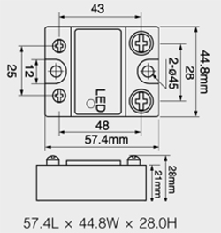
三、技术参数:








产品型号分类
 ZG1NC-210C ZG1NC-215C  ZG1NC-220C ZG1NC-225C ZG1NC-230C ZG1NC-240C ZG1NC-250C  ZG1NC-260C ZG1NC-280C ZG1NC-2100C
控制方式
VR电阻型调压器
负载电流
10A、15A、20A、25A、30A、40A、50A、60A、80A、100A
负载电压
240VAC、
控制电压
2W/ 470KΩ-560KΩ
控制电流
/
通态漏电流
≤12mA
通态降压
≤1.5VAC
断态时间
/
介质耐压
2500VAC
绝缘电阻
500MΩ/500VDC
环境温度
-30℃-+75℃
安装方式
螺栓固定
工作指示
LED
重量
105g(10A、15A)|115g(40A以上)


四、产品应用:
    ZG1NC系列固态调压器采用阻燃工程塑料外壳,环氧树脂灌封,螺纹引出端接线,具有结构强度高,耐冲击,抗震动性强,输入端驱动电流小可方便的与计算机终端和各种数字程控电路接口,广泛应用在石油化工仪器设备,食品机械,包装机械,纺织机械,数控机床,塑料机械,健身器材,娱乐设施等自动化控制领域。
    特别适用于腐蚀、潮湿、防尘、要求防爆等恶劣环境,及频繁开关的场合,是交流接触器更新替代产品。

五、安全注意事项:
1、负载电流高于5A时必须使用散热器或安装在具有相应散热效果的金属底板上,并且固态继电器散热底板与安装面之间涂上导热硅脂,40A以上加风扇强冷或水冷。
2、使用在感性负载时,高瞬态电压以及浪涌电流施加与输出端,因此可能导致固态继电器误导通或损坏,通常需要在输出端接入具有特定钳位电压的电压控制器件,如双向稳压二极管或压敏电阻(MOV)。压敏电阻推荐取额定电压的1.6-1.9倍。
3、控制接近最小负载电流的较小负载电流负载时,须在负载上并联一个虚拟负载电阻,以减小输出端漏电流在负载上产生较高的剩余电压。
4、为了避免固态继电器的温升超过允许值,设计应用时应考虑散热效果和安装位置,当两只或多只固态继电器并排安装时,应留有适当的间距。
5、多只固态继电器的输出端之间不得并联使用,以试图增大输出电流。但输出端可以串联使用,以便适用更高的工作电压。
6、当使用多只固态继共用一个控制电源时,输入端即可以串联使用也可以并联使用。
7、容性负载请慎用此件,请选择容性负载专用固态继电器。

点击
隐藏

电话
咨询

0577-62698933
客服热线

电话
咨询

15868071133
客服热线