一、产品特点:
1、功率金属氧化物场效应管输出(MOSFET);
2、极低的导通电阻;
3、输入信号与TTL逻辑电路兼容;
4、输入回路与输出回路之间变压器隔离;
5、发光二极管指示工作状态;
6、配有安全保护盖;
7、100%负载电流老化试验,通过欧共体CE认证,国际ISO9000认证,国内3C认证。
二、型号说明:
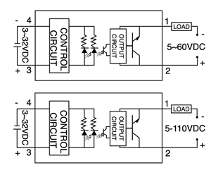
三、技术参数:
|
单 相 直 流 固 态 继 电 器 |
产品型号分类 |
SSR-10DD SSR-25DD SSR-40DD SSR-50DD |
| 控制方式 |
直流控直流(DC-DC) |
 |
| 负载电流 |
10A、25A、40A、50A |
| 负载电压 |
5-60VDC、5-110VDC、5-250VDC |
| 控制电压 |
3-32VDC |
| 控制电流 |
6-50mA |
| 通态漏电流 |
≤2mA |
| 通态降压 |
≤2.3VDC |
| 断态时间 |
≤10mS |
| 介质耐压 |
2000VAC |
| 绝缘电阻 |
500MΩ/500VDC |
| 环境温度 |
-30℃-+75℃ |
| 安装方式 |
螺栓固定 |
| 工作指示 |
LED |
| 重量 |
132g | |
四、产品应用: SSR系列直流固态继电器采用阻燃工程塑料外壳,造型别致,结构新颖,自升螺丝压接式接线,配有安全盖,使安装、检查方便快捷、安全可靠。输入端驱动电流小可方便的与计算机终端和各种数字程控电路接口,广泛应用在石油化工仪器设备、食品机械、包装机械、纺织机械、数控机床、塑料机械、健身器材、娱乐设施等自动化控制领域。
特别适用于腐蚀、潮湿、防尘、要求防爆等恶劣环境,及频繁开关的场合。
五、安全注意事项:1、负载电流高于5A时必须使用散热器或安装在具有相应散热效果的金属底板上,并且固态继电器散热底板与安装面之间涂上导热硅脂,40A以上加风扇强冷或水冷。
2、使用在感性负载时,高瞬态电压以及浪涌电流施加与输出端,因此可能导致固态继电器误导通或损坏,通常需要在输出端接入具有特定钳位电压的电压控制器件,如双向稳压二极管或压敏电阻(MOV)。压敏电阻推荐取额定电压的1.6-1.9倍。
3、控制接近最小负载电流的较小负载电流负载时,须在负载上并联一个虚拟负载电阻,以减小输出端漏电流在负载上产生较高的剩余电压。
4、为了避免固态继电器的温升超过允许值,设计应用时应考虑散热效果和安装位置,当两只或多只固态继电器并排安装时,应留有适当的间距。
5、多只固态继电器的输出端之间不得并联使用,以试图增大输出电流。但输出端可以串联使用,以便适用更高的工作电压。
6、当使用多只固态继共用一个控制电源时,输入端即可以串联使用也可以并联使用。
7、容性负载请慎用此件,请选择容性负载专用固态继电器。