一、产品概述:
1、双向可控硅输出,零电压开启,零电流关断。
2、输入信号与TTL和COMS数字逻辑电路兼容。
3、输入回路与输出回路之间光隔离。
4、发光二极管指示工作状态;
5、输入端-输出端之间隔离耐压≥2500V。
6、较高性价比,应用广泛,高信赖度的通用产品。
7、100%负载电流老化试验,通过欧共体CE认证,国际ISO9000认证,国内3C认证。
二、型号说明:

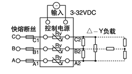
三、技术参数:
|
三 相 交 流 固 态 继 电 器 |
产品型号分类 |
D4810A D6610A D12010A D4815A D6615A D12015A D4820A D6620A D12020A D4825A D6625A D12025A D4830A D6630A D12030A D4840A D6640A D12040A D4850A D6650A D12050A D4860A D6660A D12060A
D4875A D6675A D12075A D4880A D6680A D12080A D48100A D66100A D120100A D48120A D66120A D120120A |
| 控制方式 |
直流控交流(DC-AC) |
 |
| 负载电流 |
10A、15A、20A、25A、30A、40A、50A、60A、75A、80A、100A、120A |
| 负载电压 |
480VAC、660VAC、1200VA |
| 控制电压 |
DC:3-32VDC |
| 控制电流 |
10-68mA |
| 通态漏电流 |
≤10mA |
| 通态降压 |
≤1.8VAC |
| 断态时间 |
≤10mS |
| 介质耐压 |
2500VAC |
| 绝缘电阻 |
1000MΩ/500VDC |
| 环境温度 |
-30℃-+75℃ |
| 安装方式 |
螺栓固定 |
| 工作指示 |
LED |
| 重量 |
450g | |
四、产品应用: SSR系列三相固态继电器采用阻燃工程塑料外壳,环氧树脂灌封,螺纹引出端接线,具有结构强度高、耐冲击、抗震动性强、输入端。输入端驱动电流小可方便的与计算机终端和各种数字程控电路接口,广泛应用在石油化工仪器设备、食品机械、包装机械、纺织机械、数控机床、塑料机械、健身器材、娱乐设施等自动化控制领域。
特别适用于腐蚀、潮湿、防尘、要求防爆等恶劣环境,及频繁开关的场合。是交流接触器更新替代产品。
五、安全注意事项:1、负载电流高于10A时必须使用散热器或安装在具有相应散热效果的金属底板上,并且固态继电器散热底板与安装面之间涂上导热硅脂,40A以上加风扇强冷或水冷。
2、使用在交流感性负载时,高瞬态电压及浪涌电流施加于输出端,因此可能导致固态继电器导通或损坏,通常需要在输出端接入具有特定钳位电压的电压控制器件,如双线稳压二极管或压敏电阻(MOV)。压敏电阻推荐取额定电压的1.6-1.9倍;
3、控制之接近最小负载电流的较小电流负载时,须在负载上并联一个虚拟负载电阻,以减小输出端漏电流在负载上产生较高的剩余电压。
4、为了避免固态继电器的温升超过允许值,设计应用时应考虑散热效果和安装位置,当两只或多只固态继电器并排安装时,应留有适当的间距。
5、多只固态继电器的输出端之间不得并联使用,以试图增大输出电流。但输出端可以串联使用,以便适用更高的工作电压。
6、当使用多只固态继共用一个控制电源时,输入端即可以串联使用也可以并联使用。
7、容性负载请慎用此件,请选择容性负载专用固态继电器。